iProcesSmart.com distributor of high quality Industrial Process Equipment INDUSTRIAL PROCESS INSTRUMENTS AND CONTROLS
Tel: 1-925-706-7433
Fax: 1-925-706-2583

Series S2000
Differential Pressure Gauges

Series S2000 Mechanical Differential Pressure Gauges

The Series S2000 is a low cost, diaphragm operated, differential pressure gauge. The S2000 can be used in applications for measuring positive, negative, or differential pressure with an accuracy of 2%. Standard applications include monitoring filter status, duct static pressure, room pressure, fan or blower pressure, paint booths, dust collectors, and cabinet purging along with many others.

PDF File DATA SHEET PDF File INSTALLATION MANUAL
Specifications
Pressure Limits: -20" Hg to 15 PSI (-0.677 bar to 1.034 bar); MP option: 35 PSI (2.41 bar)
Media compatibility: Air and compatible gasses
Accuracy: +/- 2% full scale (+/- 3% on -0 and +/- 4% on -00) throughout range at 70°F (21°C)
Temperature Ranges: 20° to 140°F (-7° to 60°C)
Housing Material: Die cast aluminum case and bezel, with acrylic cover
Process Connection: 1/8" female NPT duplicate high and low pressure taps - one pair side and one pair back.
Weight: 1 lb 2 oz (510 g), MP & HP 2 lb 2 oz (963 g)
Accessories: Two 1/8" NPT barbed fittings, two 1/8" NPT plugs, and three mounting tabs and screws
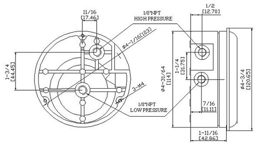
Dimensional Drawing
series S2000 - Dimesional Drawing
Model Numbers
Model Number Pressure Range Model Number Pressure Range
S2000-00 0 - 0.25" S2020 0 - 20"
S2000-0 0 - 0.5" S2025 0 - 25"
S2001 0 - 1" S2030 0 - 30"
S2002 0 - 2" S2050 0 - 50"
S2003 0 - 3" S2100 0 - 100"
S2004 0 - 4" S2300-0 0.25 - 0 - 0.25"
S2005 0 - 5" S2301 0.5 - 0 - 0.5"
S2006 0 - 6" S2302 1 - 0 - 1"
S2008 0 - 8" S2304 2 - 0 - 2"
S2010 0 - 10" S2310 5 - 0 - 5"
S2015 0 - 15" S2320 10 - 0 - 10"
*Other pressure ranges available upon request.
   
   

 


Home
Request Quote

Go Shopping
Search Products
Basket Contents
Track Order

Technical Library
Company Information
Terms & Conditions
Your Privacy
Manufacturers
Contact Us!


Search  Catalog


Boolean: 

Case